防爆星三角起動柜
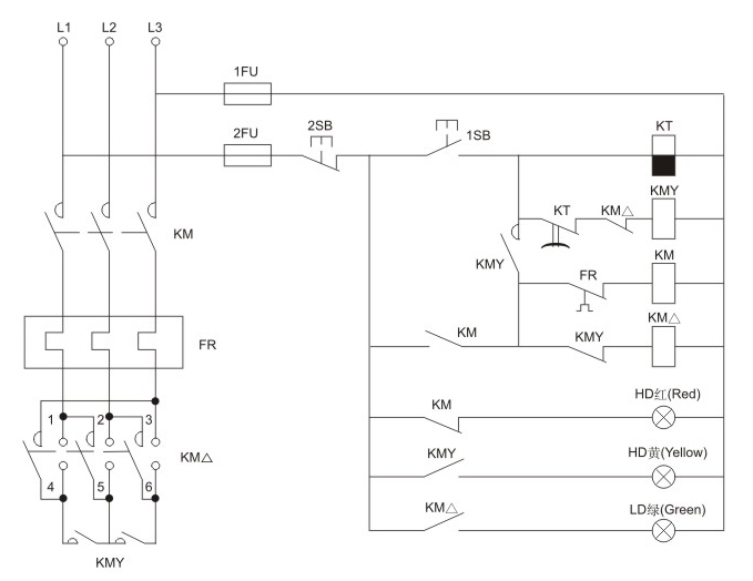
防爆電機的啟動方式除了自耦減壓啟動外,還有一種常用的啟動方式:星三角啟動。 當負載對電動機啟動力矩無嚴格要求又要限制電動機啟動電流且電機滿足380V接線條件才能采用星三
訂購熱線:156-3717-0993產品詳情
防爆電機的啟動方式除了自耦減壓啟動外,還有一種常用的啟動方式:星三角啟動。
當負載對電動機啟動力矩無嚴格要求又要限制電動機啟動電流且電機滿足380V接線條件才能采用星三角啟動方法;
該方法是:在電機啟動時將電機接成星型接線當電機啟動成功后再將電機改成三角型接線(通過雙投開關迅速切換)
因電機啟動電流和電源電壓成正比此時電網提供的啟動電流只有全電壓啟動電流的1/3,但啟動力矩也只有全電壓氣動力矩的1/3
星三角啟動,屬降壓啟動他是以犧牲功率為代價來換取降低啟動電流來實現的;所以不能一概而以電機功率的大小來確定是否需采用星三角啟動,還的看是什么樣的負載,一般再需要啟動時負載輕運行時負載重尚可采用星三角啟動,一般情況下鼠籠電機的啟動電流是運行電流的5-7倍,而對電網的電壓要求一般是正負10%為了不形成對電網電壓過大的沖擊所以要采用星三角啟動,一般要求在鼠籠型電機的功率超過變壓器額定功率的10%時就要采用星三角啟動。只有鼠籠電機才采用星三角啟動
適用范圍
1.1.1區,2區危險場所或20區,21區,22區危險場所
2.IIA, IIB爆炸性氣體環境或可燃性粉塵環境
3.戶內,戶外(IP54/IP65)
4.溫度組別:T1~T4
5.應用于石油,化工,航天,軍工等場所
產品特點
1.鋁合金外殼或鋼板焊接,表面噴塑
2.內裝交流接觸器,熱繼電器,斷路器,時間繼電器,電流互感器,電壓表,電流表,轉換開關及指示燈等元件
3.產品具有過載,短路,欠壓,斷相等保護功能
4.可根據用戶要求特制度
5.鋼管,防爆撓性管,防爆電纜,布線均可
主要技術參數
防爆標志:ExdIIBT4Gb /ExdIICT4Gb
防腐等級:WF1/WF2
防護等級:IP54/IP65
進出線口螺紋:G1.2~G3
電纜外徑:15mm~56mm
電氣原理圖

外形圖






