二、產品特點
1、鑄鋁合金外殼,表面噴塑。
2、內裝交流接觸器,自復位萬能轉換開關或按鈕等。
3、可控制交流50Hz,380V,三相異步電動機的直接起動停止,并具有過載和斷相及失壓保護。
4、鋼管或電纜布線均可。
5、符合GB3836-2000,IEC60079 標準要求。
三、主要技術參數
|
產品型號
|
額定電壓(V)
|
額定電流
(A) |
控制電機最大功率 (KW) |
防爆標志
|
繼電器整定電流調節范圍(A) |
防護等級
|
出線口螺紋
(G") |
電纜外徑
(φ,mm) |
|
BYQ-12/□
|
380
|
12
|
5.5 |
Exde II BT6
*Exde IIC T6 |
0.25~0.40
2.5~4 4~6 17~25 23~32 30~40 37~50 48~65 55~70 63~80 80~95 |
IP54
|
1
|
12~17
|
| BYQ-16/□ | 16 | 7.5 | ||||||
| BYQ-25/□ | 25 | 11 | ||||||
| BYQ-32/□ | 32 | 15 | 11/4 | 13~26 | ||||
| BYQ-40/□ | 40 | 18.5 | ||||||
| BYQ-50/□ | 50 | 22 | ||||||
| BYQ-63/□ | 63 | 30 | 11/2 | 17~30 | ||||
| BYQ-80/□ | 80 | 37 | ||||||
| BYQ-95/□ | 95 | 45 | 1 | 12~17 | ||||
| BYQ-12/□N | 12 | 5.5 | ||||||
| BYQ-16/□N | 16 | 7.5 | ||||||
| BYQ-25/□N | 25 | 11 | 11/4 | 13~23 | ||||
| BYQ-32/□N | 32 | 15 | ||||||
| BYQ-40/□N | 40 | 18.5 |
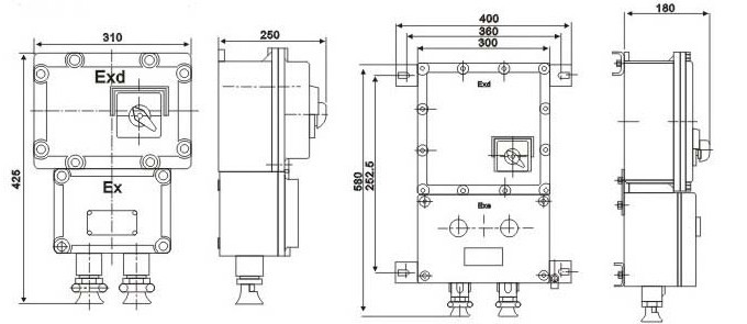
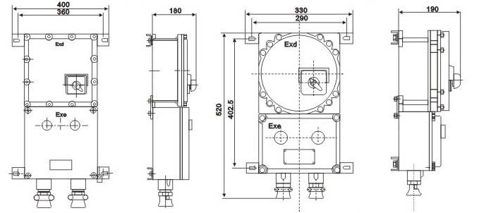
四、外形舉例


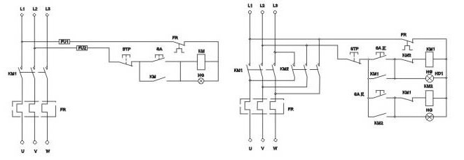
五、電氣原理圖






